当前位置:
首页
>
国资要闻
>
通知公告
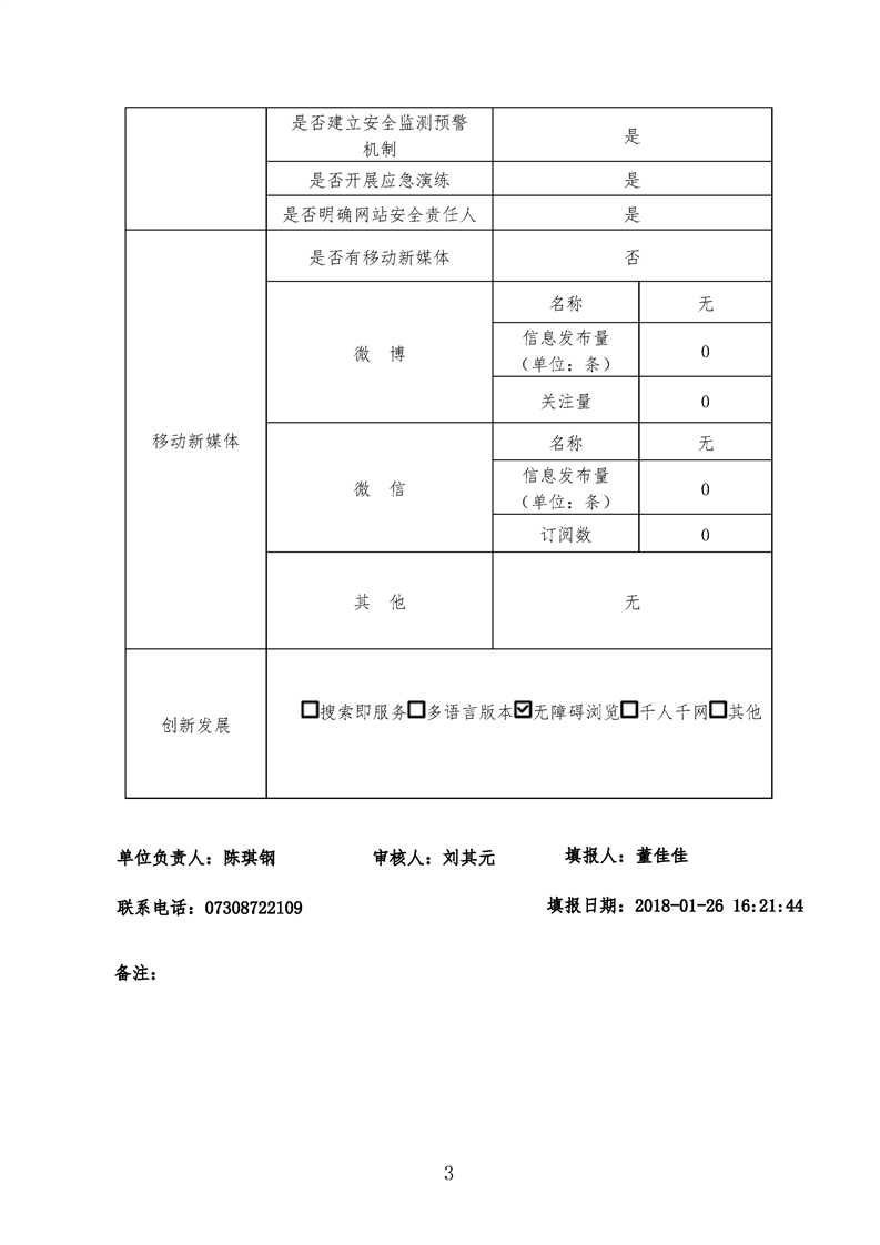
名贯彩票网站工作2017年度报表
编稿时间: 2018-01-30 16:31 来源: 市国资委综合科
打印本页
关闭窗口